推拉力计连接工装

三款连接工装适用于MARK-10所有系列仪器工装上带有定位销可与MARK-10仪器机身上的盲孔配合定位使用.
图片展示
型号
包括五金
AC1052
-四个#6-32手拧螺丝用于固定推拉力计(负载2500N)
- 二个5/16-18 平头螺丝用于工装的固定
- 二个5/16-18 平头螺丝用于工装的固定
AC1058
- 四个#6-32手拧螺丝用于固定推拉力计(负载2500N)
- 四个#10-32手拧螺丝用于固定推拉力计(负载10000N)
- 二个5/16-18 平头螺丝用于工装的固定
- 四个#10-32手拧螺丝用于固定推拉力计(负载10000N)
- 二个5/16-18 平头螺丝用于工装的固定
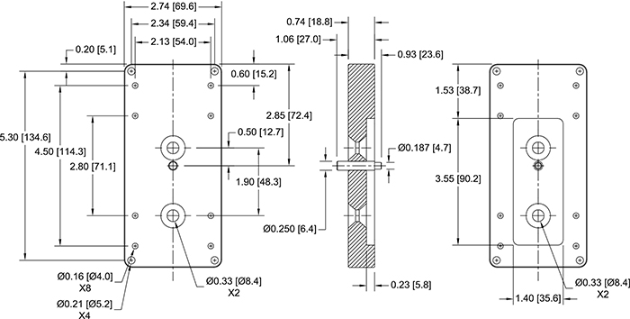
规格尺寸 IN[MM]
IN[MM]
AC1052:

AC1058:

订购信息
型号
描述
价 格
AC1052
连接工装, 0.12 - 500 lbF[0.5-2500N]推拉力计
电话咨询
AC1058
连接工装, 0.12 - 2,000 lbF[0.5-10000N]推拉力计
电话咨询










