G1103钢丝/绳索拉力测试工装

图片展示
相关产品
![]() |
G1102绳索拉力测试工装 |
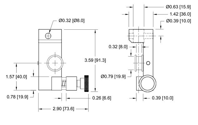
规格尺寸IN[MM]
量程
重量
200lbF
[1000N]
[1000N]
0.6lb
[0.3kg]
[0.3kg]

订购信息
型号
量程
价 格
G1103
钢丝/绳索拉力测试工装
3350.00









