G1101平口虎钳夹具工装-中号
图片展示
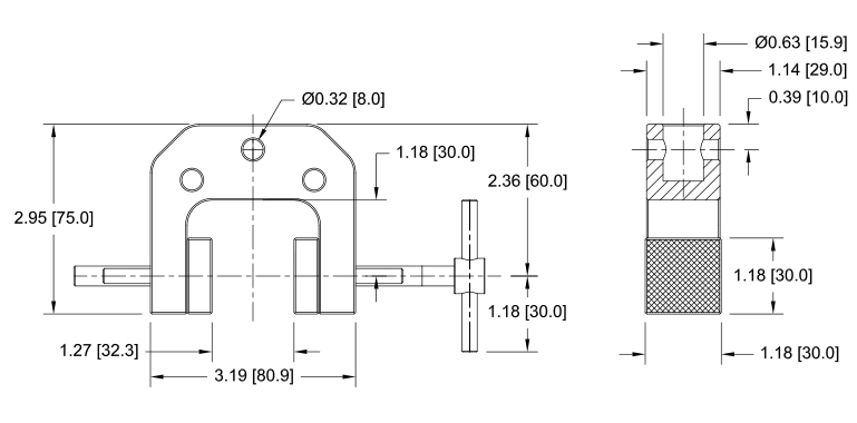
规格尺寸IN[MM]

量程
重量
主体材质
夹口村质
200lbF
[1000N]
[1000N]
1.0
[0.5kg]
[0.5kg]
铝合金
硬化钢
[硬度58HRC]
[硬度58HRC]
可选配件

可选夹口
1.97 in [50.0 mm]
3.15 in [80.0 mm]
3.94 in [100.0 mm]
相关产品
![]() |
平口夹具G1013 适用于拉力测量 |
|
![]() |
薄膜夹具G1008, G1015-1, G1015-2, G1015-3 应用于拉力测量 |
|
![]() |
台钳夹具G1070 适用于产品的拉压力测试 |
|
![]() |
通用瓶盖夹具G1058 用于夹紧瓶盖或拉力测试 |
|
![]() |
气动薄膜夹具G1046 适用于薄膜类产品的拉力测试 |
订购信息
型号
量程
价 格
G1101
虎钳夹具
2925.00
Includes four screws and an adapter for mounting to the above listed test stands.


















